MB/8 Club Poland - Klub i forum miłośników samochodów Mercedes-Benz
https://www.forum.w114-115.org.pl/

107 sl 380 schemat instalacji lub informacja
https://www.forum.w114-115.org.pl/viewtopic.php?f=24&t=70192
Strona 1 z 1

Autor:  Marian-m110 [ czw lis 15, 2018 6:47 pm ]
Tytuł:  107 sl 380 schemat instalacji lub informacja

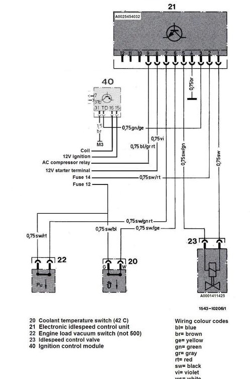
Cześć, czy wie ktoś jak jest podpięty sterownik wolnych obrotów, z czego bierze sygnał i jak to działa. Wyjąłem sterownik i elektronik znalazł zimny lut. Po prze lutowaniu było ok ale znowu jest kłopot . Proszę o poradę

Autor:  azie [ ndz lis 18, 2018 11:58 am ]
Tytuł:  Re: 107 sl 380 schemat instalacji lub informacja

Cześć, poniżej schemat :)

Załączniki:
5AF6AEC8-277B-4FC6-A361-DF11B7DCE2C7.jpeg
5AF6AEC8-277B-4FC6-A361-DF11B7DCE2C7.jpeg [ 92.51 KiB | Przejrzano 10463 razy ]

Autor:  Marian-m110 [ wt lis 20, 2018 7:17 am ]
Tytuł:  Re: 107 sl 380 schemat instalacji lub informacja

Dardo dziękuje

Autor:  Rolnik [ pt lut 07, 2020 5:49 pm ]
Tytuł:  Re: 107 sl 380 schemat instalacji lub informacja

azie pisze:
Cześć, poniżej schemat :)

A może Kolega ma cały schemat wiązki bo odebrałem auto od psełdo blacharza i dużo kabli powyrywane z kostek. Dziękuję

Strona 1 z 1 Strefa czasowa UTC+02:00
Powered by phpBB® Forum Software © phpBB Limited
https://www.phpbb.com/