MB/8 Club Poland - Klub i forum miłośników samochodów Mercedes-Benz

Forum dyskusyjne klubu właścicieli i miłośników samochodów marki Mercedes-Benz
Dzisiaj jest pn lis 24, 2025 11:27 pm

Strefa czasowa UTC+01:00




Nowy temat  Odpowiedz w temacie  [ Posty: 7 ] 
Autor Wiadomość
Post: śr maja 19, 2010 1:24 pm 
Offline
wiarus junior

Rejestracja: pn lut 25, 2008 6:46 pm
Posty: 857
Lokalizacja: Dąbrowa Górnicza-Chruszczobród
Witam ! Może ktoś z kolegów posiada schemat klaksonu 2 tonowego,szukam, lub nie umię znależć :oops: a wyglada sprawa tak że klaksony sprawdzone-działają wszystkie (na krótko ),jak przełącznik kliknięty to działają tylko te centralne(za grilem ) jak przełączę na 2 tony to nie ma wogóle sygnałow a powiny trąbić [krzyk] -chyba wszystkie 4 szt naraz ?

_________________
MB 124 300 24V CE-1991 EX
MB 126 560 SEL- 1988-LPG
AUDI A3 1.6-----1997-PB
DAEWO TICO----1997-LPG
MB 126 420 SE-- 1988 EX
IVECO 3510-----1995 EX
MB 124 300 E ---1989 EX
MB 201 230 E ---1987 EX
AUDI 80 1,8E----1989 EX
SEICENTO 900---2002 - LPG


Na górę
Post: śr maja 19, 2010 10:20 pm 
Offline
swój chłop
Awatar użytkownika

Rejestracja: wt cze 17, 2008 4:41 pm
Posty: 101
U mnie często właśnie też w SELce zdarza się, że te drugie trąbki nie działają.. tzn. raz działają a raz nie. Czy one zawsze są takie ciche? Bo u mnie właśnie tak jest.. . Za to głośny klakson zawsze działa [zlosnik]

_________________
w124 E200D '93 - Biała Perła
ex. w126 380 SEL '84, full opcja - krążownik szos


Na górę
Post: czw maja 20, 2010 7:12 am 
Offline
swój chłop

Rejestracja: śr kwie 15, 2009 11:24 am
Posty: 352
Numer GG: 5261898
Lokalizacja: Mielec
Witam
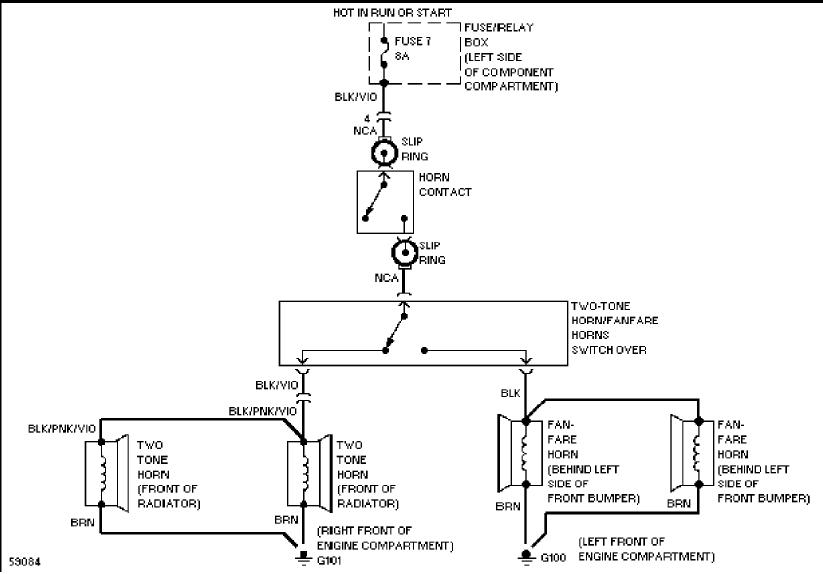
ostatnio trochę szukałem schematów i przypadkiem mam taki:
Załącznik:
two ton horn.JPG
two ton horn.JPG [ 48.81 KiB | Przejrzano 809 razy ]

Ze schematu wygląda na to że 4 razem nie będą trąbiły, tylko 2 w zależności które są załączone przełącznikiem, masz może fotkę tego przełącznika jak on wygląda???
Pozdrawiam

_________________
W210 E240T 02' LPG
W126 280SE 82' MS


Na górę
Post: czw maja 20, 2010 9:12 am 
Offline
wiarus junior

Rejestracja: pn lut 25, 2008 6:46 pm
Posty: 857
Lokalizacja: Dąbrowa Górnicza-Chruszczobród
Dzięki ! O to mi właśnie chodziło,przełącznik mam taki z trąbką, z 2 pozycjami,wrzucam link podglądowy z allegro ,trochę go słabo widać ,ale to ten środkowy na pulpicie pod popielniczką (niestety ,nie opanowałem jeszcze wstawiania fotek na forum :oops: ,na starym forum nie było żadnych problemów a teraz trzeba fotki zmniejszać samemu bo nie wchodzą :evil: )
http://www.otomoto.pl/index.php?sect=show&id=C12573468

_________________
MB 124 300 24V CE-1991 EX
MB 126 560 SEL- 1988-LPG
AUDI A3 1.6-----1997-PB
DAEWO TICO----1997-LPG
MB 126 420 SE-- 1988 EX
IVECO 3510-----1995 EX
MB 124 300 E ---1989 EX
MB 201 230 E ---1987 EX
AUDI 80 1,8E----1989 EX
SEICENTO 900---2002 - LPG


Na górę
Post: czw maja 20, 2010 7:59 pm 
Offline
weteran
Awatar użytkownika

Rejestracja: ndz lis 26, 2006 12:19 am
Posty: 2399
Lokalizacja: [EL] Łódź
martinbbor pisze:
te drugie trąbki

Widzę że masz 1 serię - mógłbyś wkleić fotkę trąbek?

_________________
http://www.malusie.pl - bodziaki dla niemowląt i koszulki dla dzieciaków
Jeep Grand Cherokee 5.2 '96

ex: W123 D30 '83, W126 E28 '83, S123 E23 '85, W201 E23 '92


Na górę
Post: czw maja 20, 2010 8:41 pm 
Offline
swój chłop
Awatar użytkownika

Rejestracja: wt cze 17, 2008 4:41 pm
Posty: 101
voytas pisze:
martinbbor pisze:
te drugie trąbki

Widzę że masz 1 serię - mógłbyś wkleić fotkę trąbek?


a proszę Cię bardzo ;)

Obrazek

Obrazek

_________________
w124 E200D '93 - Biała Perła
ex. w126 380 SEL '84, full opcja - krążownik szos


Na górę
Post: czw maja 20, 2010 11:48 pm 
Offline
wiarus junior

Rejestracja: pn lut 25, 2008 6:46 pm
Posty: 857
Lokalizacja: Dąbrowa Górnicza-Chruszczobród
No właśnie , mam takie same z lewej strony za zderzakiem,auto z 1988 r . więc to już 2 seria,temat już mam opanowany-urwany kabel w kierownicy pod poduchą, dlatego główny sygnał działał, a trąbki nie , teraz działa już wszystko cacy i faktycznie działają one osobno a myślałem że po przełączeniu będą ryczeć wszystkie 4 razem. Tak że w tym tygodniu mam powód do dumy 8) bo udało mi się usunać aż 2 usterki więc wekend zapowiada się interesująco [clown] [krzyk] [jezyk2] [jezyk3] !!! Jeszcze raz dzięki za schemat !!!

_________________
MB 124 300 24V CE-1991 EX
MB 126 560 SEL- 1988-LPG
AUDI A3 1.6-----1997-PB
DAEWO TICO----1997-LPG
MB 126 420 SE-- 1988 EX
IVECO 3510-----1995 EX
MB 124 300 E ---1989 EX
MB 201 230 E ---1987 EX
AUDI 80 1,8E----1989 EX
SEICENTO 900---2002 - LPG


Na górę
Wyświetl posty nie starsze niż:  Sortuj wg  
Nowy temat  Odpowiedz w temacie  [ Posty: 7 ] 

Strefa czasowa UTC+01:00


Kto jest online

Użytkownicy przeglądający to forum: Obecnie na forum nie ma żadnego zarejestrowanego użytkownika i 11 gości


Nie możesz tworzyć nowych tematów
Nie możesz odpowiadać w tematach
Nie możesz zmieniać swoich postów
Nie możesz usuwać swoich postów
Nie możesz dodawać załączników

Przejdź do:  
Technologię dostarcza phpBB® Forum Software © phpBB Limited
Polski pakiet językowy dostarcza phpBB.pl