MB/8 Club Poland - Klub i forum miłośników samochodów Mercedes-Benz

Forum dyskusyjne klubu właścicieli i miłośników samochodów marki Mercedes-Benz
Dzisiaj jest śr lut 18, 2026 10:21 am

Strefa czasowa UTC+01:00




Nowy temat  Odpowiedz w temacie  [ Posty: 4 ] 
Autor Wiadomość
Post: pt sie 27, 2010 12:43 pm 
Offline
swój chłop

Rejestracja: śr kwie 15, 2009 11:24 am
Posty: 352
Numer GG: 5261898
Lokalizacja: Mielec
Witam
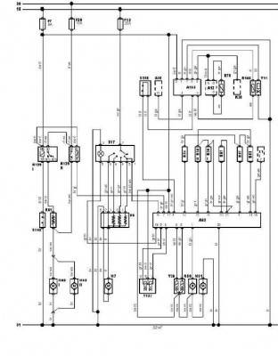
jako że udało mi się nabyć prawie kompletną klimę z modelu 260SE (prawie tylko bez wiązki albo i więcej) a znalazłem schemacik następujący:
Załącznik:
schemat.JPG
schemat.JPG [ 59.9 KiB | Przejrzano 579 razy ]

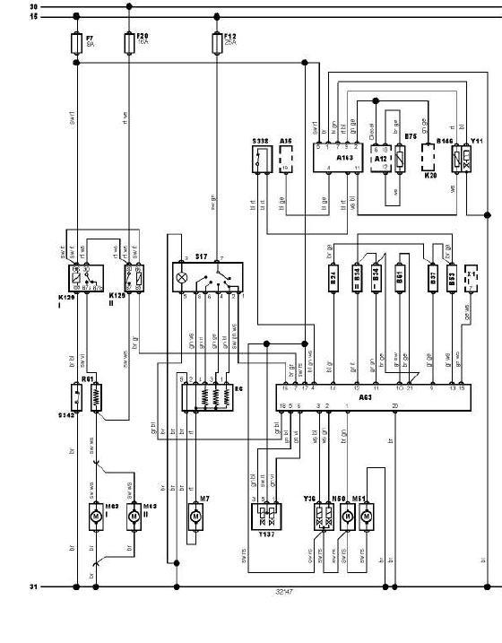
z którego można zrobić wiązkę dla wentylatorów a szukam schematu przy nagrzewnicy i do pokręteł. Znalazłem inny z W124 tylko nie wiem czy taki był w manualnej klime w W126:
Załącznik:
schemat1.JPG
schemat1.JPG [ 59.12 KiB | Przejrzano 579 razy ]

Koledzy wszelkie informacje i podpowiedzi mile widziane [oczko]
Może ktoś przerabiał taki temat???
Nagrzewnice mam kompletną, sprężarkę, chłodnicę, wentylator, przewody ale i tak do ponownego zakucia.
Z elektryki:
2 włączniki na deskę- śnieżynkę i A/C
A163>> AC compressor control module - moduł sterujący spreżarki..
napewno nie mam przekaźnika SR9850 001 542 02 19 i opornika- chociaż bez opornika by się obeszło
z tego co czytałem to pierwszo-seryjne 280SE miały tylko jeden bieg obrotów wentylatora,
jak testowałem czy wentylator sprawny to efekt był ciekawy conajmniej jakby jakiś samolot odrzutowy startował taki miał ciąg [hihi]
resztę muszę dokładnie sprawdzić
Czy oprócz tego modułu do sprężarki wystepuję jeszcze jakiś inny w W126???

_________________
W210 E240T 02' LPG
W126 280SE 82' MS


Na górę
Post: pt sie 27, 2010 8:00 pm 
Offline
swój chłop

Rejestracja: sob gru 05, 2009 9:43 pm
Posty: 130
Czy to jest klima automatyczna z jednym pokrętłem ? Niedługo z kolega będziemy mieli w126 anglika na części z taką klimą, to możemy ładnie wymontować instalację..


Na górę
Post: sob sie 28, 2010 10:48 am 
Offline
swój chłop

Rejestracja: śr kwie 15, 2009 11:24 am
Posty: 352
Numer GG: 5261898
Lokalizacja: Mielec
Zwykła klima manualna taka jak na fotce:
Załącznik:
1189483315_1.jpg
1189483315_1.jpg [ 33.78 KiB | Przejrzano 533 razy ]

Jeżeli taka to jestem chętny na instalacje [zlosnikz]

_________________
W210 E240T 02' LPG
W126 280SE 82' MS


Na górę
Post: sob sie 28, 2010 1:15 pm 
Offline
swój chłop

Rejestracja: sob gru 05, 2009 9:43 pm
Posty: 130
Niestety, no nie taka, nowsza, z jednym pokrętłem, "klimatronic"...


Na górę
Wyświetl posty nie starsze niż:  Sortuj wg  
Nowy temat  Odpowiedz w temacie  [ Posty: 4 ] 

Strefa czasowa UTC+01:00


Kto jest online

Użytkownicy przeglądający to forum: Obecnie na forum nie ma żadnego zarejestrowanego użytkownika i 10 gości


Nie możesz tworzyć nowych tematów
Nie możesz odpowiadać w tematach
Nie możesz zmieniać swoich postów
Nie możesz usuwać swoich postów
Nie możesz dodawać załączników

Przejdź do:  
Technologię dostarcza phpBB® Forum Software © phpBB Limited
Polski pakiet językowy dostarcza phpBB.pl