MB/8 Club Poland - Klub i forum miłośników samochodów Mercedes-Benz

Forum dyskusyjne klubu właścicieli i miłośników samochodów marki Mercedes-Benz
Dzisiaj jest sob kwie 18, 2026 9:28 pm

Strefa czasowa UTC+02:00




Nowy temat  Odpowiedz w temacie  [ Posty: 5 ] 
Autor Wiadomość
Post: czw sty 06, 2011 10:11 pm 
Offline

Rejestracja: ndz maja 23, 2010 1:23 pm
Posty: 0
Witam,

ma ktoś może schemat elektryczny obwodu kick-down, który mógłby udostępnić? :lol:
Mam schemat W126 z pierwszej serii, niestety tylko dla 2-pinowego włącznika, a u mnie jest 4-pinowy.
Jest faktycznie tak, że pierwsza seria W126 miała 2-, a druga 4-pinowy włącznik?
Mam dziwne wrażenie, że w moim aucie kick-down nie działa. Jeśli zacznę "deptać" przy ok. 60 km/h to auto rwie do przodu, że trudno utrzymać kierownicę [zlosnik] , ale z kolei przy ok. 80 km/h słychać tylko, że włącznik "cyknął", ale redukcji nie odczuwam ani nie widzę na obrotomierzu. Nie znalazłem też na żadnym z czterech pinów prądu, więc sądzę, że gdzieś w kablach jest przerwa. Sam włącznik wydaje się byc w porządku, przynajmniej ma przejście.
Chciałbym się, jak się trochę ociepli, wziąć się za to i w końcu mieć sprawny kick-down.
Acha, olej (Mobil ATF220) i filtr wymieniony w czerwcu.

Na co powinienem jeszcze ewentualnie zwrócić uwagę?
Ogólnie na pracę ASB nie narzekam, można by się ewent. pokusić o regulację linki, żeby póżniej zmieniała biegi, ale to chyba nie ma raczej wpływu na pracę kick-down?
Dodam, że przy bardzo delikatnej jeździe wrzuca mi 4. gdzieś przy ok. 60 km/h, po mocnym wciśnięciu gazu (naturalnie bez kick-down) ciągnie gdzieś do ok. 4000 obr/min. Nie powinien przypadkiem pociągnąć ciut dalej?
Niestety nie próbowałem ruszać od razu z kick-down (nie było warunków ku temu [hihi] ), a teraz auto "zimuje" w garażyku.

Za wszelkie sugestie i wskazówki z góry serdeczne dzięki .

PZDR [palacz]

_________________
W124 220E Bj. 1992 blau-schwarz metallic
W126 500 SEC Bj. 1988 blau-schwarz metallic


Na górę
Post: śr sty 12, 2011 9:26 pm 
Offline
wiarus senior
Awatar użytkownika

Rejestracja: wt lis 20, 2001 1:00 am
Posty: 1724
mam taki schemat:


Załączniki:
kick.JPG
kick.JPG [ 16.36 KiB | Przejrzano 591 razy ]

_________________
124 E220 coupe 96'FOTO
MB artykuły prasowe cz1
MB artykuły prasowe cz2
Na górę
Post: czw sty 13, 2011 7:35 am 
Offline
swój chłop

Rejestracja: śr kwie 15, 2009 11:24 am
Posty: 352
Numer GG: 5261898
Lokalizacja: Mielec
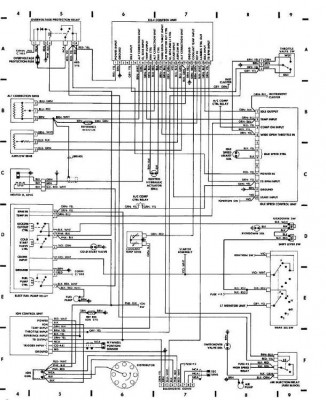
może to pomoże:
Załącznik:
SEC.JPG
SEC.JPG [ 96.57 KiB | Przejrzano 583 razy ]


a całość masz tu, trzeci link od góry fig2
http://www.autolib.diakom.ru/CAR/Merced ... 0DIAGRAMS/

<<<wuja>>>>
jak możesz podeślij mi te schematy z I serii, byłbym wdzięczny [clown]

Nie będę śmiecił i zapytam czy ma ktoś dla 280SE jakieś schematy elektryczne????

_________________
W210 E240T 02' LPG
W126 280SE 82' MS


Na górę
Post: czw sty 13, 2011 6:44 pm 
Offline

Rejestracja: ndz maja 23, 2010 1:23 pm
Posty: 0
Siemasz mark,

dzieki za link, widzialem juz kiedys ta stronke, ale widac zabraklo zapalu, zeby sie przeklikac przez nia [jezyk]

Co do schematow I serii, spoko, sprobuje w weekend pstryknac kilka fotek cyfrowka, nie mam niestety dostepu do skanera, ani w domu, ani w robocie [szalone]
Ale postaram sie zrobic w miare wyrazne foty i wrzuce je najwyzej do neta.
Spodziewaj sie ich gdzies w niedziele kolo wieczora

Na razie dzieki

PZDR

_________________
W124 220E Bj. 1992 blau-schwarz metallic
W126 500 SEC Bj. 1988 blau-schwarz metallic


Na górę
Post: ndz sty 16, 2011 2:02 pm 
Offline

Rejestracja: ndz maja 23, 2010 1:23 pm
Posty: 0
Witam,

a wiec pstrknalem kilka fotek cyfrowka i wrzucilem w siec. Mam nadzieje, ze komus sie przydadza i ze jakosc jest w miare akceptowalna. Nie wrzucam tu podgladu, tylko same linki (foty maj ok. 2 MB kazda). To sa schematy do wersji 280S (nie wiem czy SE tez podpada po niego, czy jest jakas roznica) i do wersji 380SE/500SE.
Niestety opis schematow jest w jezyku niemieckim, ale mysle, ze to nie bedzie stanowic problemu, w razie czego pisac to pomoge, albo zapytac wprost "pana Google" [zlosnikok]

Opis
http://img285.imagevenue.com/img.php?im ... _181lo.JPG

W126 280S
http://img180.imagevenue.com/img.php?im ... _890lo.JPG
http://img146.imagevenue.com/img.php?im ... _388lo.JPG

W126 380SE/500SE
http://img141.imagevenue.com/img.php?im ... _485lo.JPG
http://img193.imagevenue.com/img.php?im ... 2_64lo.JPG

@VALENTINE123
@nark2222
Wam szczegolne podziekowania za schematy [pub]
Mam jednak prosbe @VALENTINE123, moglbys ewentualnie wrzucic gdzies ten schemat w troche lepszej rozdzielczosci lub podac link, skad jest ten schemat? W gruncie rzeczy jest on stosunkowo przejrzysty, jednakze poszczegolne oznaczenia sa (przynajmniej u mnie) dosc slabo czytelne. Jesli nie da rady, nie ma sprawy i tak jestem wdzieczny za pomoc.

Milej niedzieli

PZDR

wuja

_________________
W124 220E Bj. 1992 blau-schwarz metallic
W126 500 SEC Bj. 1988 blau-schwarz metallic


Na górę
Wyświetl posty nie starsze niż:  Sortuj wg  
Nowy temat  Odpowiedz w temacie  [ Posty: 5 ] 

Strefa czasowa UTC+02:00


Kto jest online

Użytkownicy przeglądający to forum: Obecnie na forum nie ma żadnego zarejestrowanego użytkownika i 14 gości


Nie możesz tworzyć nowych tematów
Nie możesz odpowiadać w tematach
Nie możesz zmieniać swoich postów
Nie możesz usuwać swoich postów
Nie możesz dodawać załączników

Przejdź do:  
Technologię dostarcza phpBB® Forum Software © phpBB Limited
Polski pakiet językowy dostarcza phpBB.pl