MB/8 Club Poland - Klub i forum miłośników samochodów Mercedes-Benz

Forum dyskusyjne klubu właścicieli i miłośników samochodów marki Mercedes-Benz
Dzisiaj jest sob lis 22, 2025 5:19 am

Strefa czasowa UTC+01:00




Nowy temat  Odpowiedz w temacie  [ Posty: 16 ]  Przejdź na stronę 1 2 Następna
Autor Wiadomość
 Tytuł: Brak ładowania
Post: wt paź 02, 2012 1:52 pm 
Offline
swój chłop

Rejestracja: sob paź 02, 2010 8:51 pm
Posty: 372
Numer GG: 8740062
Lokalizacja: mazowieckie
Na stacji benzynowej podczas wlewania płynu do spryskiwaczy do zbiornika, zalany najprawdopodobniej został alternator. Efekt: przekręcam kluczyk i świecą się tylko niektóre kontrolki. Silnik odpala normalnie, jadę. Przy kolejnym odpalaniu, to samo - tylko część kontrolek w ogóle daje oznaki życia. Zdejmuję klemę plusową z aku, system się resetuje, kontrolki ożywają przy odpalaniu, sytuacja wraca (niby) do normy. Podczas jazdy żadnych niepokojących objawów. W pewnym momencie zaczyna się wyłączać radio, wycieraczka zwalnia, lampy przygasają. Pomiar napięcia na aku - ok. 9V. Na wyjściu z alternatora (na tych dwóch stykach blisko akumulatora) - ZERO (przy pracującym motorze)!
Alternator wyzionął ducha? Regulator napięcia, a może jeszcze coś innego?

_________________
S124 250D 12/91 manual, malachite metallic
W124 300E 08/89 automat, nautical blue metallic

Mercedes się nie psuje, Mercedes się zużywa!


Na górę
Post: wt paź 02, 2012 2:30 pm 
Offline
postmistrz
Awatar użytkownika

Rejestracja: śr mar 29, 2006 10:24 am
Posty: 5349
Numer GG: 60349017
Lokalizacja: Bolesławiec
No nie da się ukryć braku ładowania.
Pasuje udać się do znachora , ustali co zmarło.

_________________
W123 200 W123 230E W124 230E W201 190E C124 300CE S210 E420 W140 300SE 2.8 R129 280SL C124 E220 W220 320 CDI
C219 320 CDI


Na górę
Post: wt paź 02, 2012 7:24 pm 
Offline
wiarus senior

Rejestracja: wt gru 04, 2007 4:52 pm
Posty: 1454
Lokalizacja: ok.Cieszyna/Słupsk
Czy kontrolka ładowania zaświeca się po włączeniu zapłonu, a po uruchomieniu silnika gaśnie?

_________________
W124 200D - Śnieżyna
W124 300D - Menczysław (ex)
W123 240D - Kruszynka (ex)
Skoda Favorit 135L+LPG (ex) - pierwsza dziewczyna-przeinwestowana, dobrze, że z nią nie wpadłem


Na górę
Post: wt paź 02, 2012 7:52 pm 
Offline
postmistrz
Awatar użytkownika

Rejestracja: śr mar 29, 2006 10:24 am
Posty: 5349
Numer GG: 60349017
Lokalizacja: Bolesławiec
Tak byc powinno.
Czasem alternator tak padnie, że ta kontrolka braku ładowania się nie plai.
Ja tak miałem w 200 po myciu silnika.

_________________
W123 200 W123 230E W124 230E W201 190E C124 300CE S210 E420 W140 300SE 2.8 R129 280SL C124 E220 W220 320 CDI
C219 320 CDI


Na górę
Post: wt paź 02, 2012 10:14 pm 
Offline
swój chłop

Rejestracja: sob paź 02, 2010 8:51 pm
Posty: 372
Numer GG: 8740062
Lokalizacja: mazowieckie
Cytuj:
Czy kontrolka ładowania zaświeca się po włączeniu zapłonu, a po uruchomieniu silnika gaśnie?
Nie pamiętam, niestety. Jakie są ewentualności?

_________________
S124 250D 12/91 manual, malachite metallic
W124 300E 08/89 automat, nautical blue metallic

Mercedes się nie psuje, Mercedes się zużywa!


Na górę
Post: śr paź 03, 2012 2:30 pm 
Offline
kombatant
Awatar użytkownika

Rejestracja: czw sty 13, 2005 8:56 am
Posty: 4306
Lokalizacja: Zurich, Debica
Wszytko zależy jaki to samochód. Na przykład we Fiacie 126p...

_________________
TReneR

W124 230E '87
Drink Beer!


Na górę
Post: śr paź 03, 2012 3:07 pm 
Offline
wiarus junior

Rejestracja: pt cze 27, 2008 2:18 pm
Posty: 529
Lokalizacja: Leszno
Można z dużą duzym prawdopodobieństwem przyjąć, że chodzi o Mercedesa. Dalej - każdy, poza 170V i podobnymi rocznikowo ma alternator. Najprościej wykręcić dwie śruby M5 lub M6 i wstawić nowy regulator. Jak zadziała, to koniec naprawy, a jak nie, to tak jak wyżej - Kolega THC napisał.


Na górę
Post: śr paź 03, 2012 4:07 pm 
Offline
wiarus senior

Rejestracja: wt gru 04, 2007 4:52 pm
Posty: 1454
Lokalizacja: ok.Cieszyna/Słupsk
Tylko, że jeżeli np. kontrolka ładowania wogóle nie zaświeca sie po włączeniu zapłonu podmiana regulatora nic nie da.

_________________
W124 200D - Śnieżyna
W124 300D - Menczysław (ex)
W123 240D - Kruszynka (ex)
Skoda Favorit 135L+LPG (ex) - pierwsza dziewczyna-przeinwestowana, dobrze, że z nią nie wpadłem


Na górę
Post: śr paź 03, 2012 8:25 pm 
Offline
swój chłop

Rejestracja: sob paź 02, 2010 8:51 pm
Posty: 372
Numer GG: 8740062
Lokalizacja: mazowieckie
Dzięki wszystkim za podpowiedzi - przed wizytą u znachora sprawdzę, czy kontrolka od ładowania świeci się tuż przed zapłonem :)
TReneR pisze:
Wszytko zależy jaki to samochód. Na przykład we Fiacie 126p...
W opisie mam dwa Mercedesy, z czego jeden na pewno nie będzie jeździć bez ładowania. Notabene "maluch" również nie.

_________________
S124 250D 12/91 manual, malachite metallic
W124 300E 08/89 automat, nautical blue metallic

Mercedes się nie psuje, Mercedes się zużywa!


Na górę
Post: śr paź 03, 2012 8:33 pm 
Offline
postmistrz
Awatar użytkownika

Rejestracja: śr mar 29, 2006 10:24 am
Posty: 5349
Numer GG: 60349017
Lokalizacja: Bolesławiec
Dennis pisze:
TReneR pisze:
Wszytko zależy jaki to samochód. Na przykład we Fiacie 126p...
W opisie mam dwa Mercedesy, z czego jeden na pewno nie będzie jeździć bez ładowania. Notabene "maluch" również nie.



Pokaz normalnego trenera , to dostaniesz w nagrodę nowy alternator z aso za 12999zł.
Ten trenuje głupa juz któryś rok w dodatku w dośc dziwnym alpejskim otoczeniu.

_________________
W123 200 W123 230E W124 230E W201 190E C124 300CE S210 E420 W140 300SE 2.8 R129 280SL C124 E220 W220 320 CDI
C219 320 CDI


Na górę
Post: czw paź 04, 2012 7:36 pm 
Offline
swój chłop

Rejestracja: sob paź 02, 2010 8:51 pm
Posty: 372
Numer GG: 8740062
Lokalizacja: mazowieckie
[hihi]
Wracając do tematu - po przekręceniu kluczyka w stacyjce (ach te zdrobnienia [zlosnik] ) na pozycję 2, zaświeca się jedynie kontrolka ABSu oraz hamulca postojowego (i przypuszczalnie zaświeciłaby się ta od świec żarowych, gdyby napięcie na rozładowanym aku pozwoliło). Dodam jeszcze, że nie działa w ogóle tylna wycieraczka, a przy ciągłym trzymaniu przycisku spryskiwania tylnej szyby, brak jest przerywania, płyn leje się na szybę przez cały czas (to pewnie bez związku, ale dla pełnego obrazu opowiedziałem).
Mam taki jeden stary regulator napięcia, który przepuszczał napięcie 16V i doprowadził do zagotowania aku w swoim czasie. Nie ma sensu nawet podmieniać go na próbę?

_________________
S124 250D 12/91 manual, malachite metallic
W124 300E 08/89 automat, nautical blue metallic

Mercedes się nie psuje, Mercedes się zużywa!


Na górę
Post: czw paź 04, 2012 7:51 pm 
Offline
wiarus senior

Rejestracja: wt gru 04, 2007 4:52 pm
Posty: 1454
Lokalizacja: ok.Cieszyna/Słupsk
Jeżeli kontrolka ładowania się nie zaświeca może to oznaczać spalenie żaróweczki lub uszkodzenie diód w alternatorze.

_________________
W124 200D - Śnieżyna
W124 300D - Menczysław (ex)
W123 240D - Kruszynka (ex)
Skoda Favorit 135L+LPG (ex) - pierwsza dziewczyna-przeinwestowana, dobrze, że z nią nie wpadłem


Na górę
Post: czw paź 04, 2012 8:16 pm 
Offline
kombatant
Awatar użytkownika

Rejestracja: czw sty 13, 2005 8:56 am
Posty: 4306
Lokalizacja: Zurich, Debica
Ale to tak ciężko w temacie napisać o jaki model chodzi? Moim zdanie jest to wyrazem braku szacunku dla innych forumowiczów.

Cytat z regulaminu;
2. Zakładanie nowego tematu (topic).
...
2. Ważną sprawą jest właściwe zatytułowanie naszego posta. Temat powinien być krótki (nie używamy pełnych zdań, lecz posługujemy się raczej hasłami), ale możliwe najdokładniej precyzujący poruszaną tematykę w temacie najlepiej umieszczać model MB którego się tyczy wątek

_________________
TReneR

W124 230E '87
Drink Beer!


Na górę
Post: czw paź 04, 2012 8:59 pm 
Offline
swój chłop

Rejestracja: sob paź 02, 2010 8:51 pm
Posty: 372
Numer GG: 8740062
Lokalizacja: mazowieckie
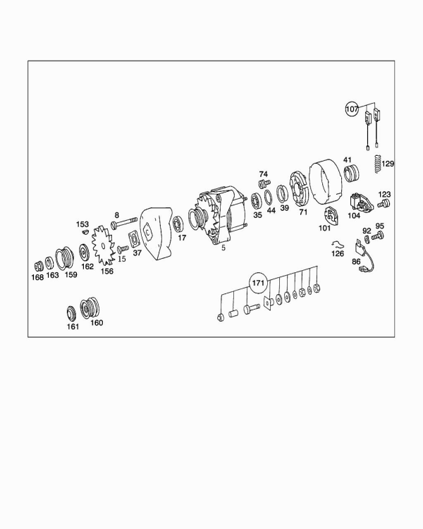
Dzięki darus! Zakładając, że żaróweczka w kontrolce jest jednak ok (wcześniej, już w trakcie dziwnego zachowania "ładowania", kontrolka ta się jednak świeciła), przyjrzę się diodom w alternatorze. Pomożecie zlokalizować to-to na obrazku? :)
Załącznik:
alternator.gif
alternator.gif [ 12.75 KiB | Przejrzano 1515 razy ]


W drugiej części tego posta chciałem uroczyście oświadczyć, iż jestem przepełniony najgłębszym szacunkiem w stosunku do zdecydowanej większości użytkowników niniejszego forum [zlosnikz]

_________________
S124 250D 12/91 manual, malachite metallic
W124 300E 08/89 automat, nautical blue metallic

Mercedes się nie psuje, Mercedes się zużywa!


Na górę
Post: pt paź 05, 2012 9:52 pm 
Offline
wiarus senior

Rejestracja: wt gru 04, 2007 4:52 pm
Posty: 1454
Lokalizacja: ok.Cieszyna/Słupsk
Poz. 71 zdaje się, przy czym poprostu pojedź do elektryka, ktory sie zajmuje alternatorami. W sumie wymontować alternator samemu ze 124 to 10min pracy. Generalnie jeżeli to mostek diodowy to wlutuje nowy i tyle, pewnie dojda łożyska. nie sądzę, żeby przewód do kontrolki miał gdzies przerwe, chociaż różnie to w życiu bywa.

_________________
W124 200D - Śnieżyna
W124 300D - Menczysław (ex)
W123 240D - Kruszynka (ex)
Skoda Favorit 135L+LPG (ex) - pierwsza dziewczyna-przeinwestowana, dobrze, że z nią nie wpadłem


Na górę
Wyświetl posty nie starsze niż:  Sortuj wg  
Nowy temat  Odpowiedz w temacie  [ Posty: 16 ]  Przejdź na stronę 1 2 Następna

Strefa czasowa UTC+01:00


Kto jest online

Użytkownicy przeglądający to forum: Obecnie na forum nie ma żadnego zarejestrowanego użytkownika i 8 gości


Nie możesz tworzyć nowych tematów
Nie możesz odpowiadać w tematach
Nie możesz zmieniać swoich postów
Nie możesz usuwać swoich postów
Nie możesz dodawać załączników

Przejdź do:  
Technologię dostarcza phpBB® Forum Software © phpBB Limited
Polski pakiet językowy dostarcza phpBB.pl