tengorszy pisze:
Czołem:)
Czołem.

tengorszy pisze:
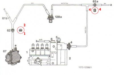
Na moje element 128a do wymiany, zwiesił się w zamkniętym położeniu, poniżej 30 stopni powinien być otwarty.
Już go zamówiłem, niedługo wymienię.

tengorszy pisze:
ewentualnie trzeba pokręcić tą puszką z nr. 4, może się rozregulowała.
Pokręciłem tą gruchą przy pompie na ciepłym silniku, bo rozgrzany też miał trochę za niskie obroty - już są w miarę ok, ale chyba je troszkę zwiększę.
tengorszy pisze:
Z podciśnieniem nie pomogę, bo w 190 podobieństwo się kończy dokładnie na tym "termostacie"(przynajmniej u mnie).
Możliwe, że masz układ elektroniczny. Chyba, że masz skrzynię automat, tam też jest bardziej rozbudowany (dwa elementy jak 128a).
tengorszy pisze:
Mam zupełnie odwrotny problem, u mnie non stop było "ssanie". Odłączyłem, zaślepiłem otwory, nie telepie jakimś cudem
![[cool]](./images/smilies/cool.gif)
. Wymieniłbym, ale jak na razie znaleźć nie mogę choćby zamiennika

Też mam w kolorze żółtym to ustrojstwo.
Ja dałem około 80 zł, myślę, że to nie jest duży koszt.
Frytejro pisze:
A on wogole Ci "schodzi" z obrotów jak osiągnie zadana temperature ?? bo to powinno byc czuc jak zejdzie.. zdecydowanie obroty spadają. jednokeirunkowe zaworki najlepiej sprawdzic "ustnie" czy nie przepuszczają..
U mnie trzyma takie same obroty, czy zimny, czy ciepły. Jednak na zimnym telepie i "rechot" silnika jest nieregularny. Wystarczy trochę potrzymać "gazem" (na obroty wchodzi gładko - nie "kopie" na żadnym cylindrze, "rechocze" też wtedy równo), aż złapie wyższą temperaturę. Im wyższa temperatura otoczenia, tym problem po uruchomieniu mniejszy.
Dmuchałem w zaworki - nie przepuszczały.
Dodam, że są założone nowe świece żarowe, odpala na wszystkich cylindrach i nie dymi - w razie, jakby ktoś chciał winić układ podgrzewania.
